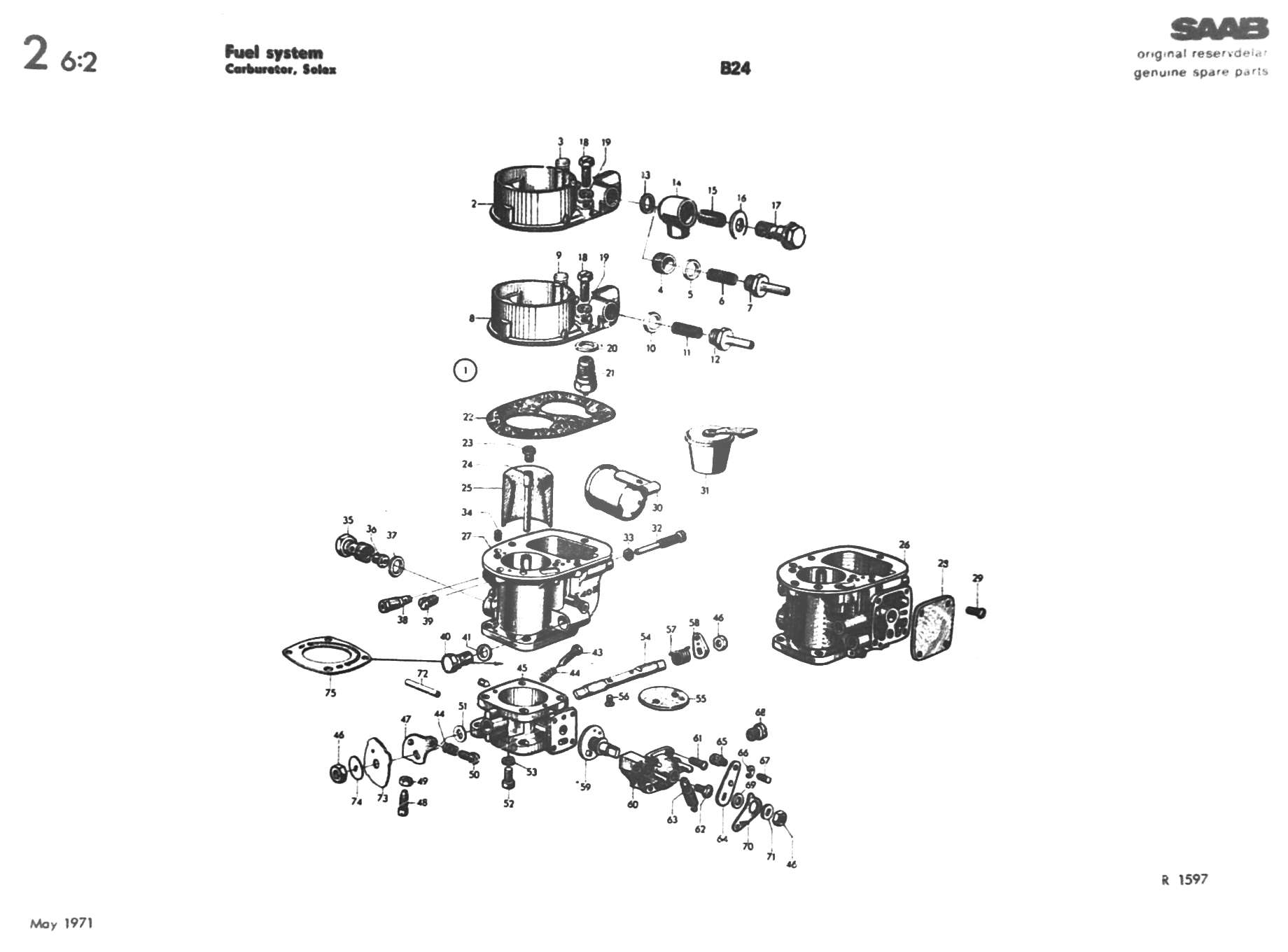
2-B24         ↑ Main Index     << Thumbnails     < Previous     Next >

2-B24