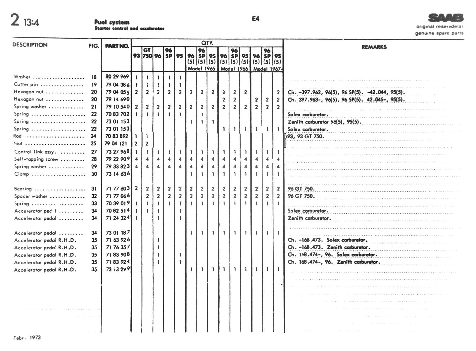
2-E04         ↑ Main Index     << Thumbnails     < Previous     Next >

2-E04