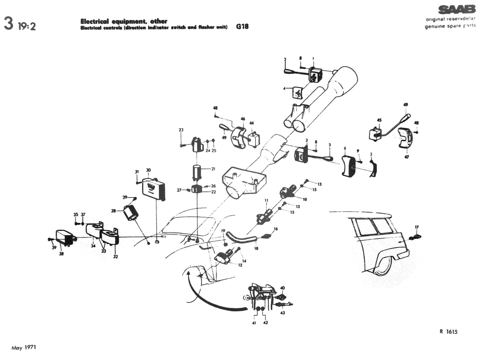
3-G18         ↑ Main Index     << Thumbnails     < Previous     Next >

3-G18