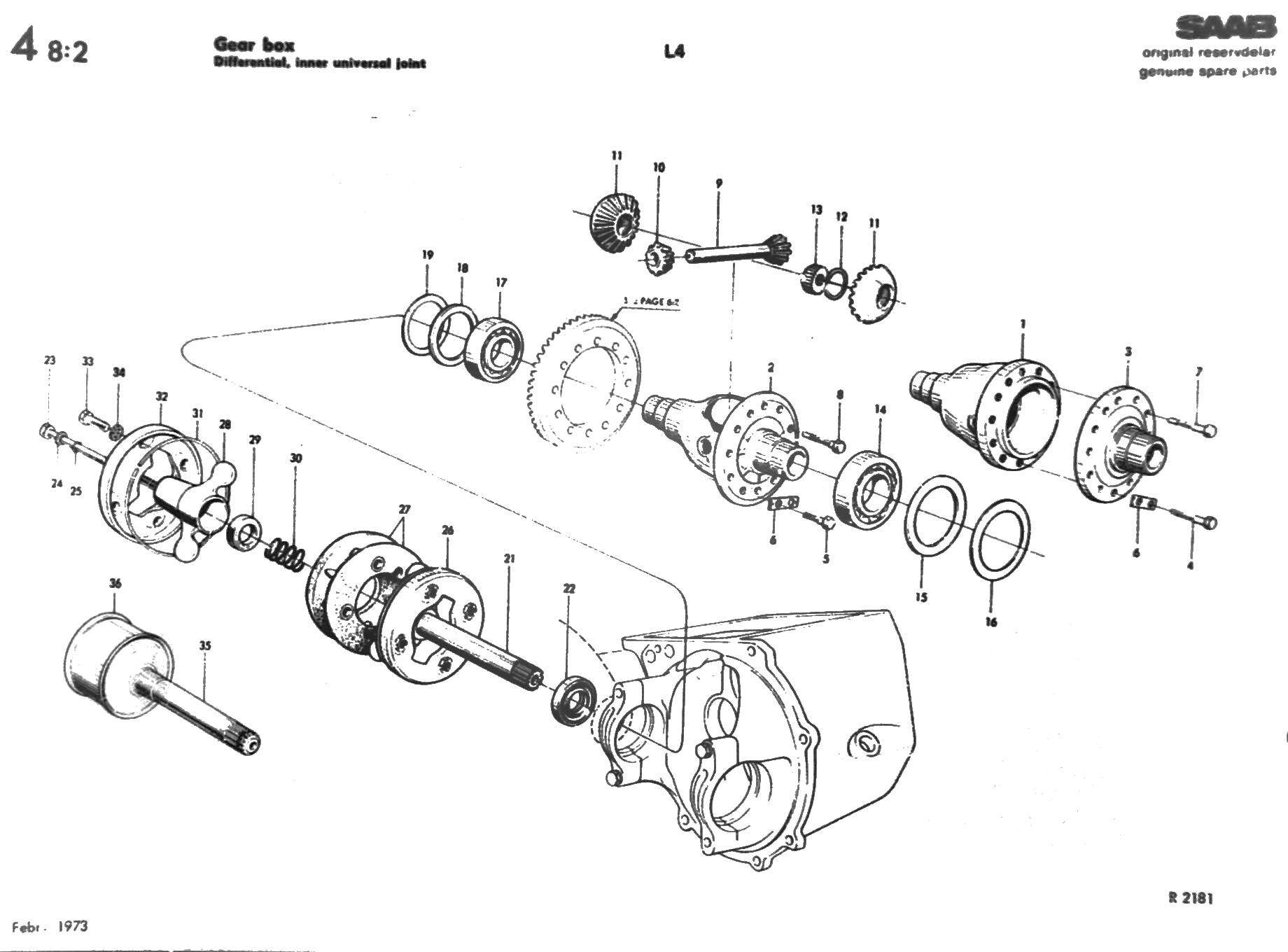
3-L04         ↑ Main Index     << Thumbnails     < Previous     Next >

3-L04