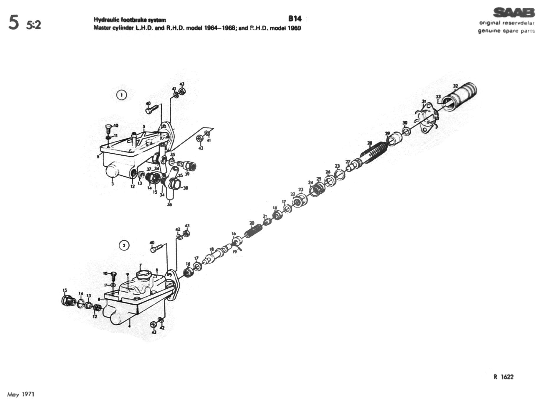
4-B14         ↑ Main Index     << Thumbnails     < Previous     Next >

4-B14