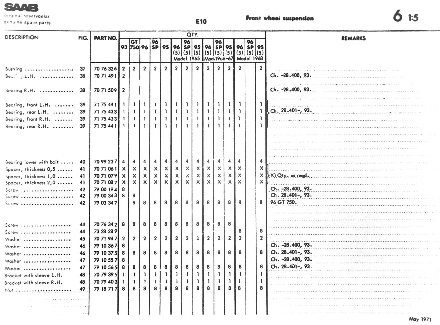
4-E10         ↑ Main Index     << Thumbnails     < Previous     Next >

4-E10