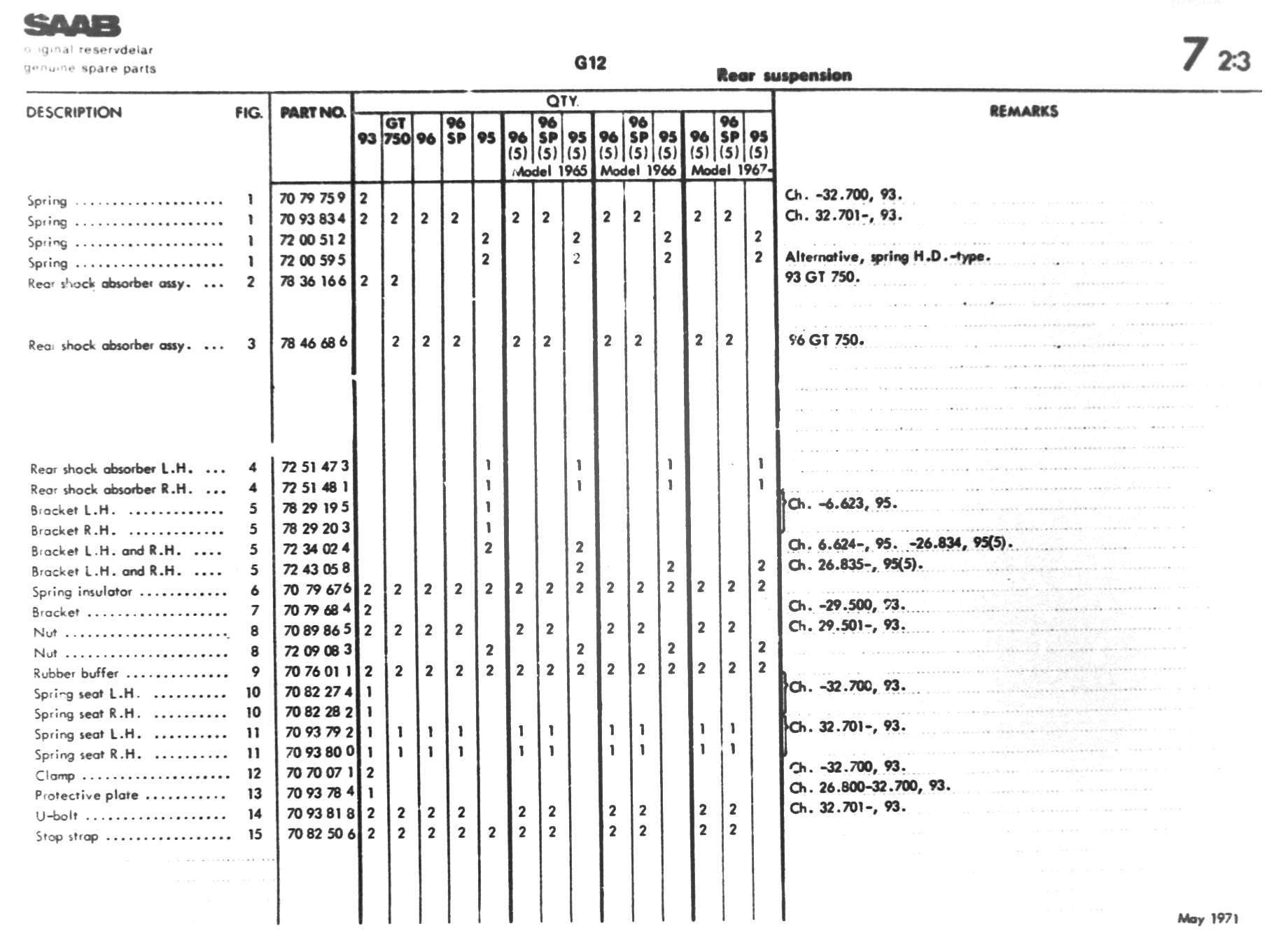
4-G12         ↑ Main Index     << Thumbnails     < Previous     Next >

4-G12