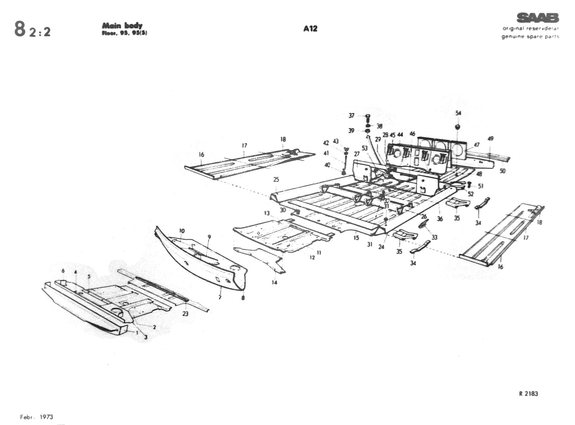
5-A12         ↑ Main Index     << Thumbnails     < Previous     Next >

5-A12