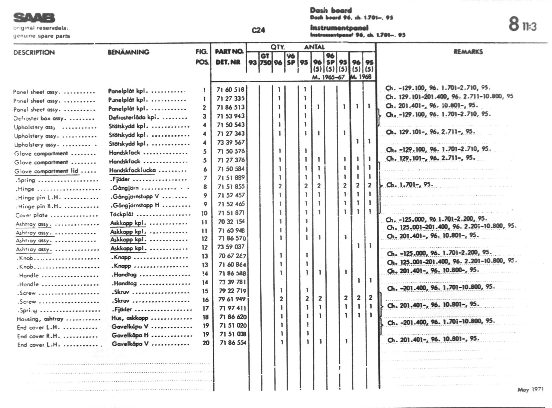
5-C24         ↑ Main Index     << Thumbnails     < Previous     Next >

5-C24