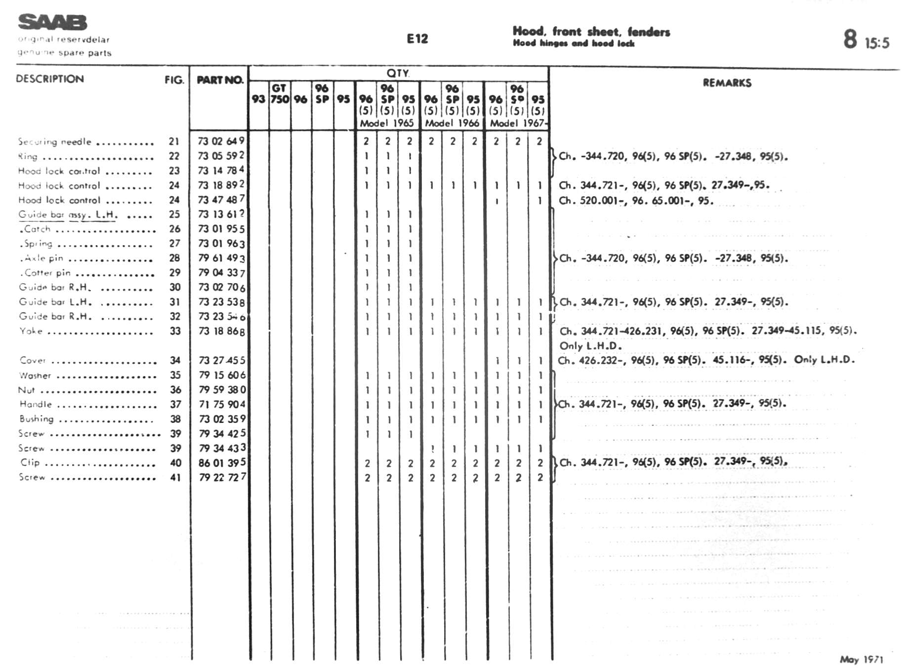
5-E12         ↑ Main Index     << Thumbnails     < Previous     Next >

5-E12