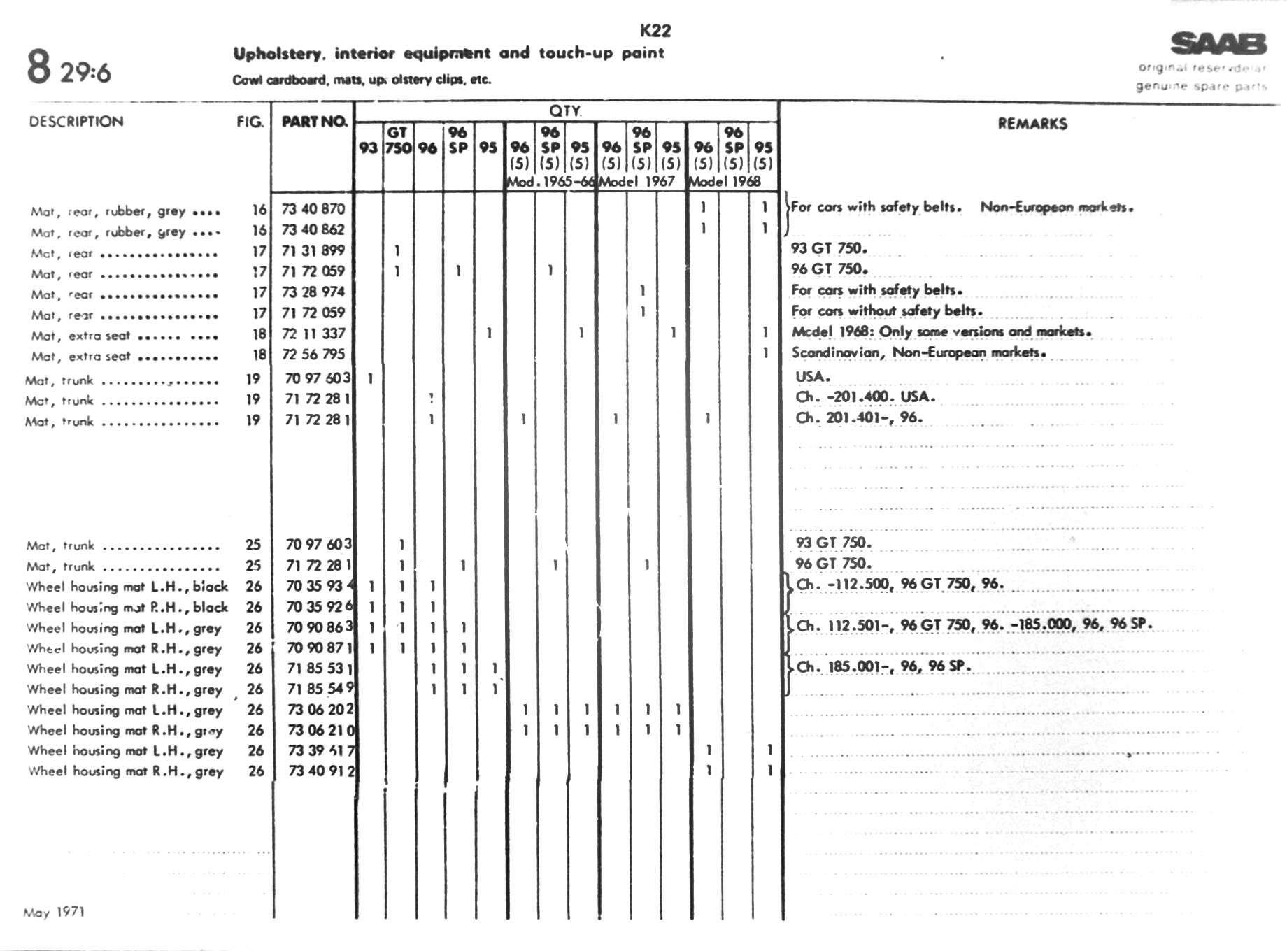
5-K22         ↑ Main Index     << Thumbnails     < Previous     Next >

5-K22