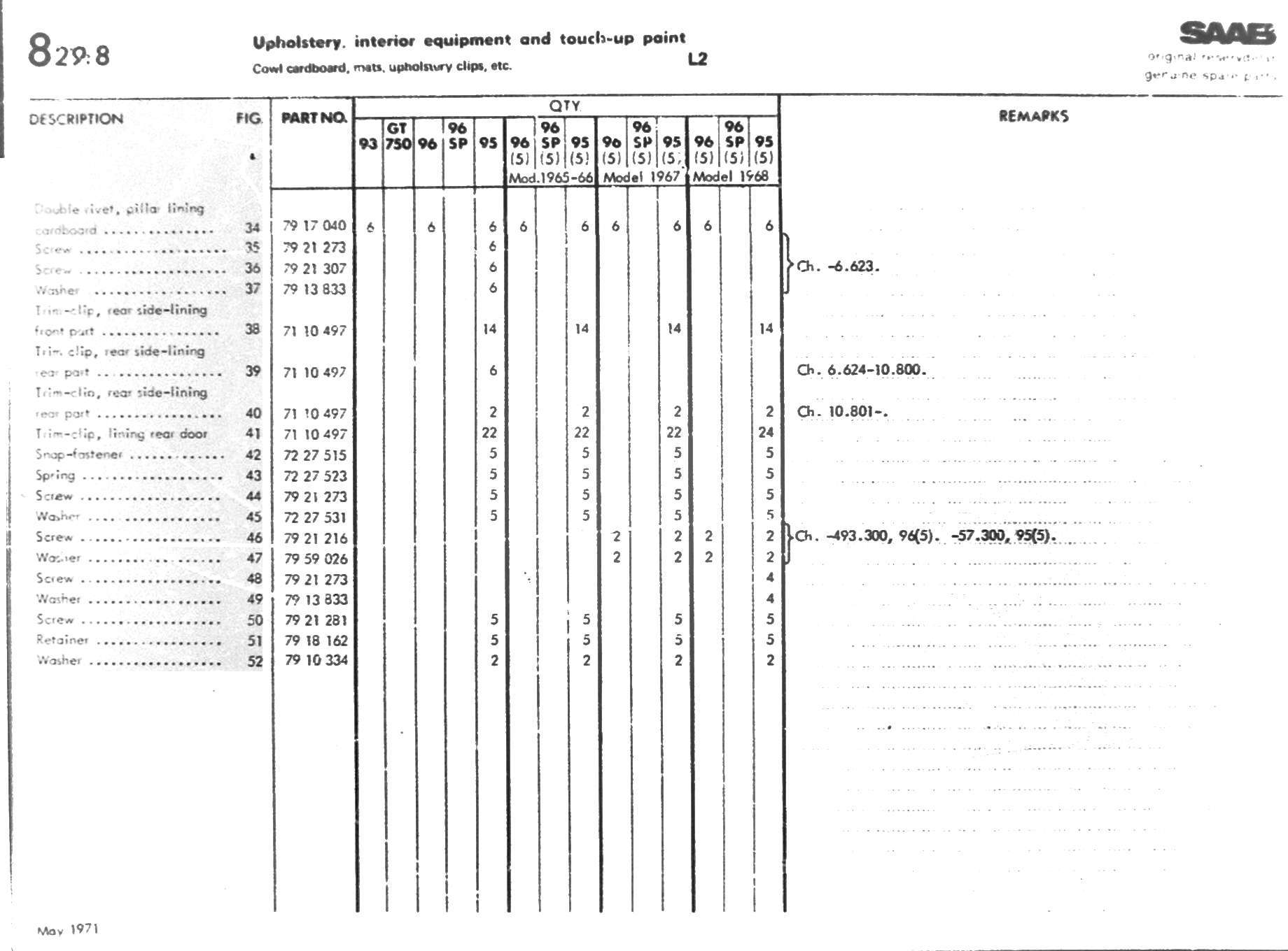
5-L02         ↑ Main Index     << Thumbnails     < Previous     Next >

5-L02