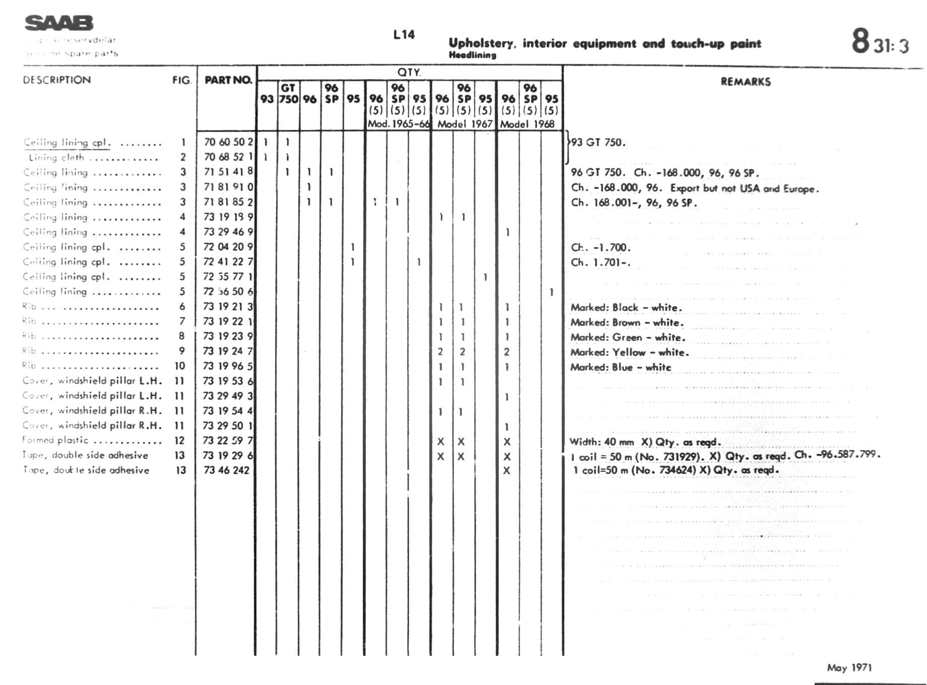
5-L14         ↑ Main Index     << Thumbnails     < Previous     Next >

5-L14