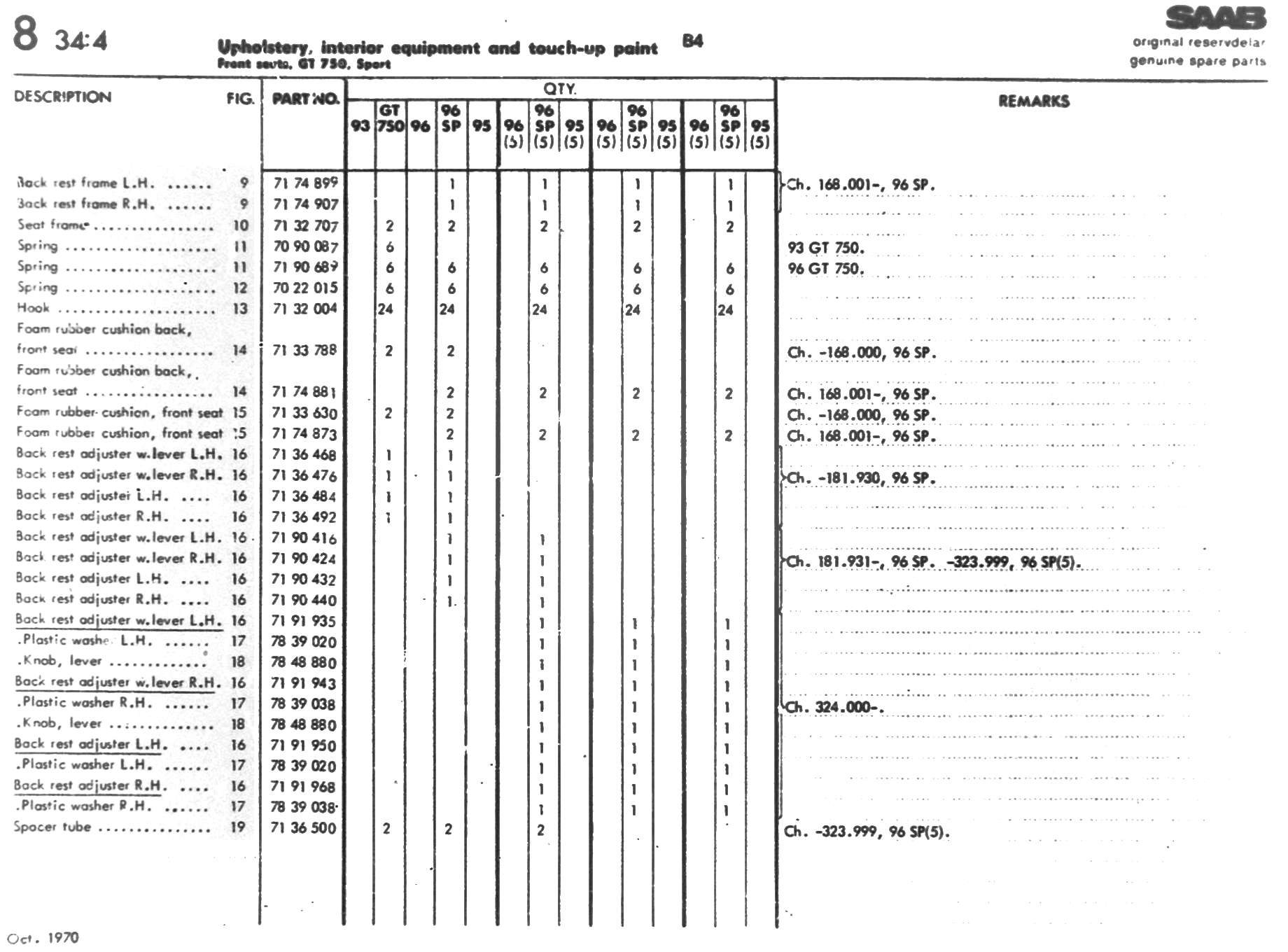
6-B04         ↑ Main Index     << Thumbnails     < Previous     Next >

6-B04