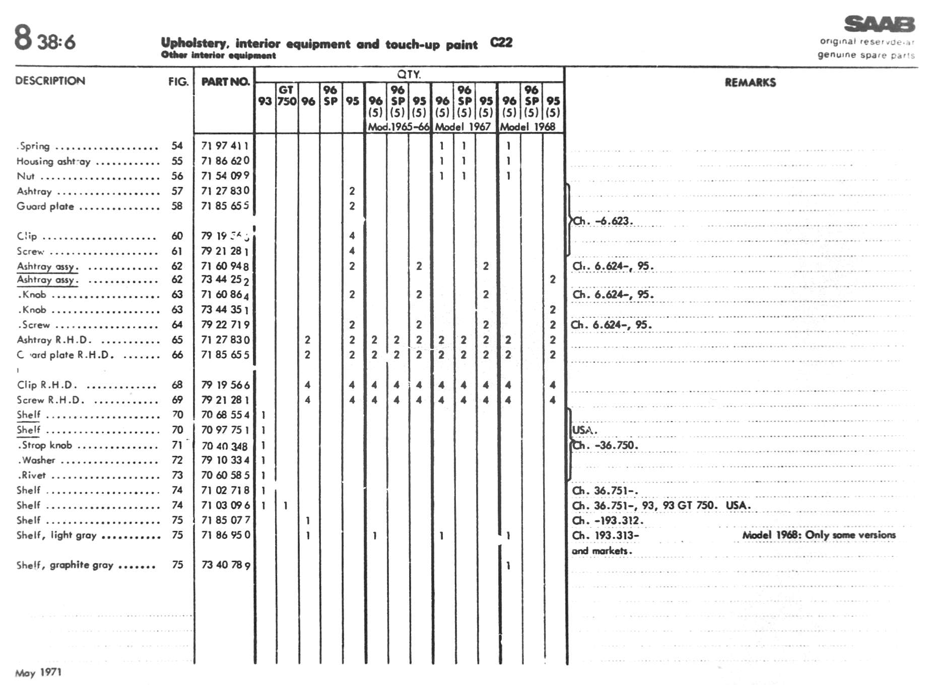
6-C22         ↑ Main Index     << Thumbnails     < Previous     Next >

6-C22