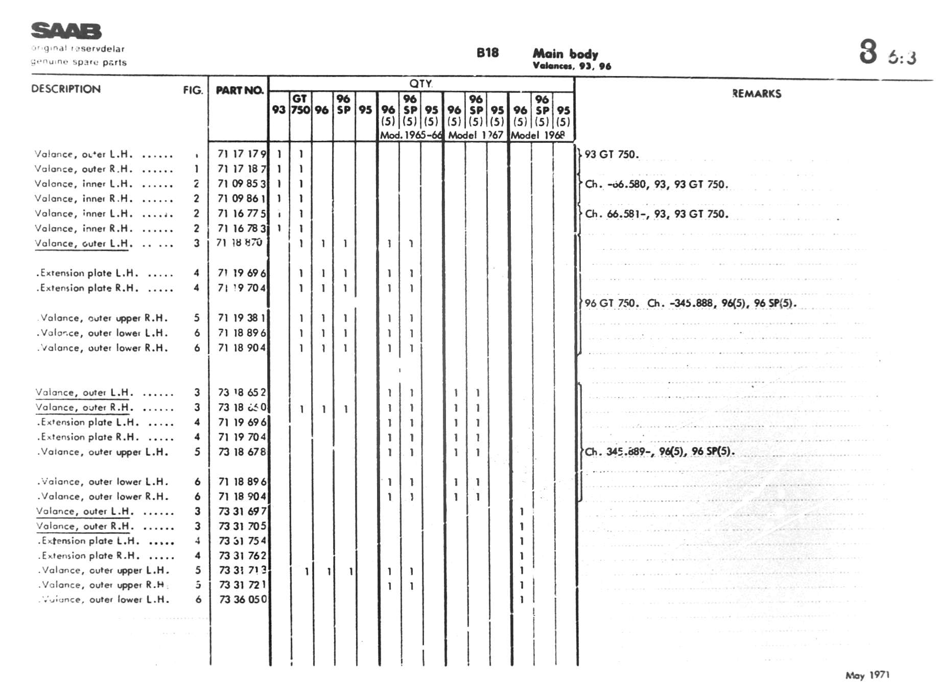
5-B18         ↑ Main Index     << Thumbnails     < Previous     Next >

5-B18