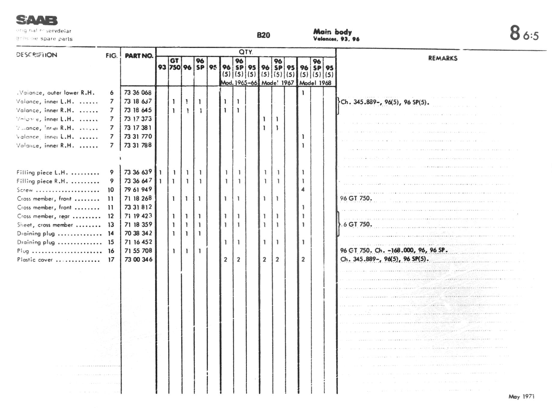
5-B20         ↑ Main Index     << Thumbnails     < Previous     Next >

5-B20