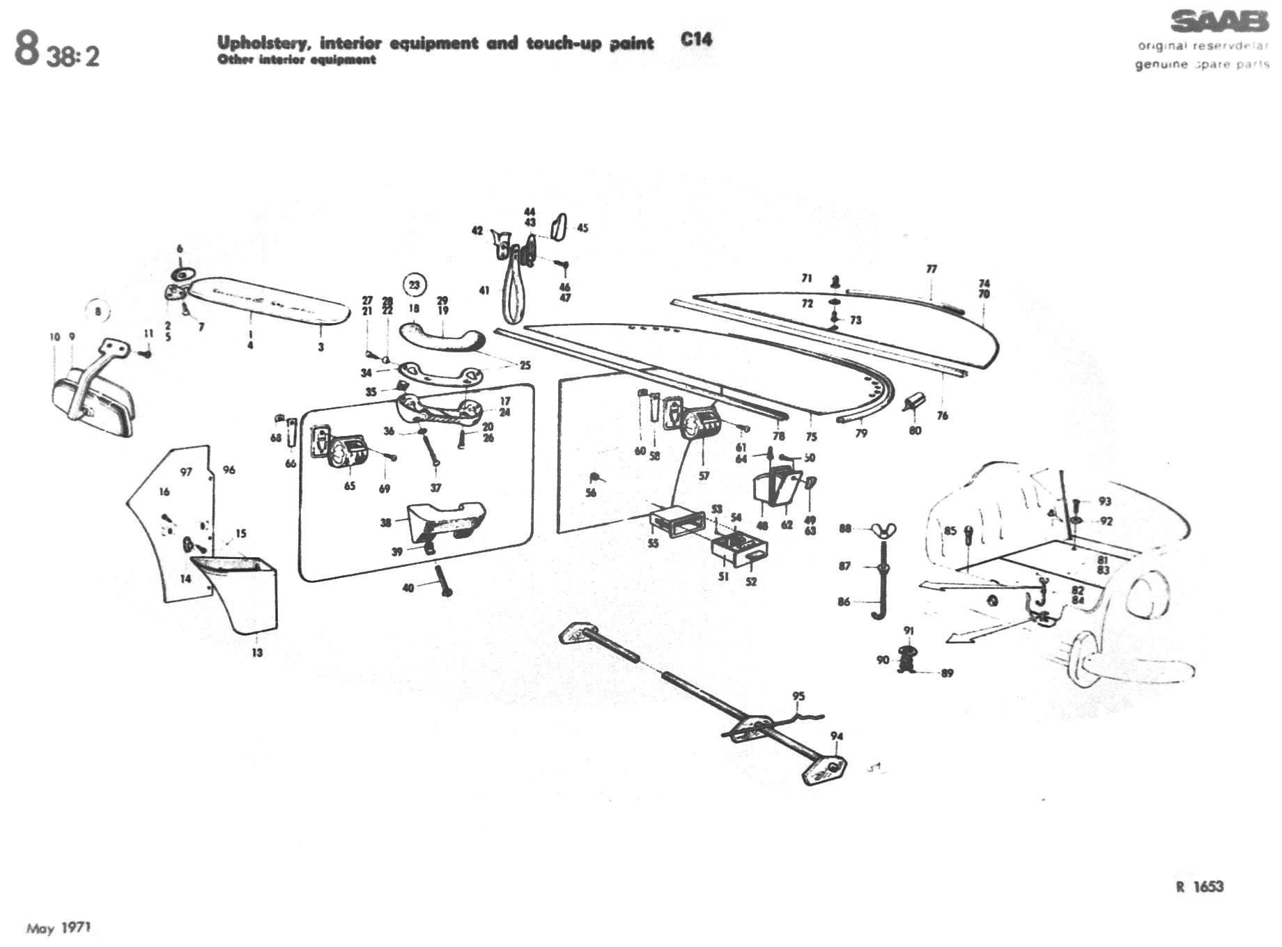
6-C14         ↑ Main Index     << Thumbnails     < Previous     Next >

6-C14