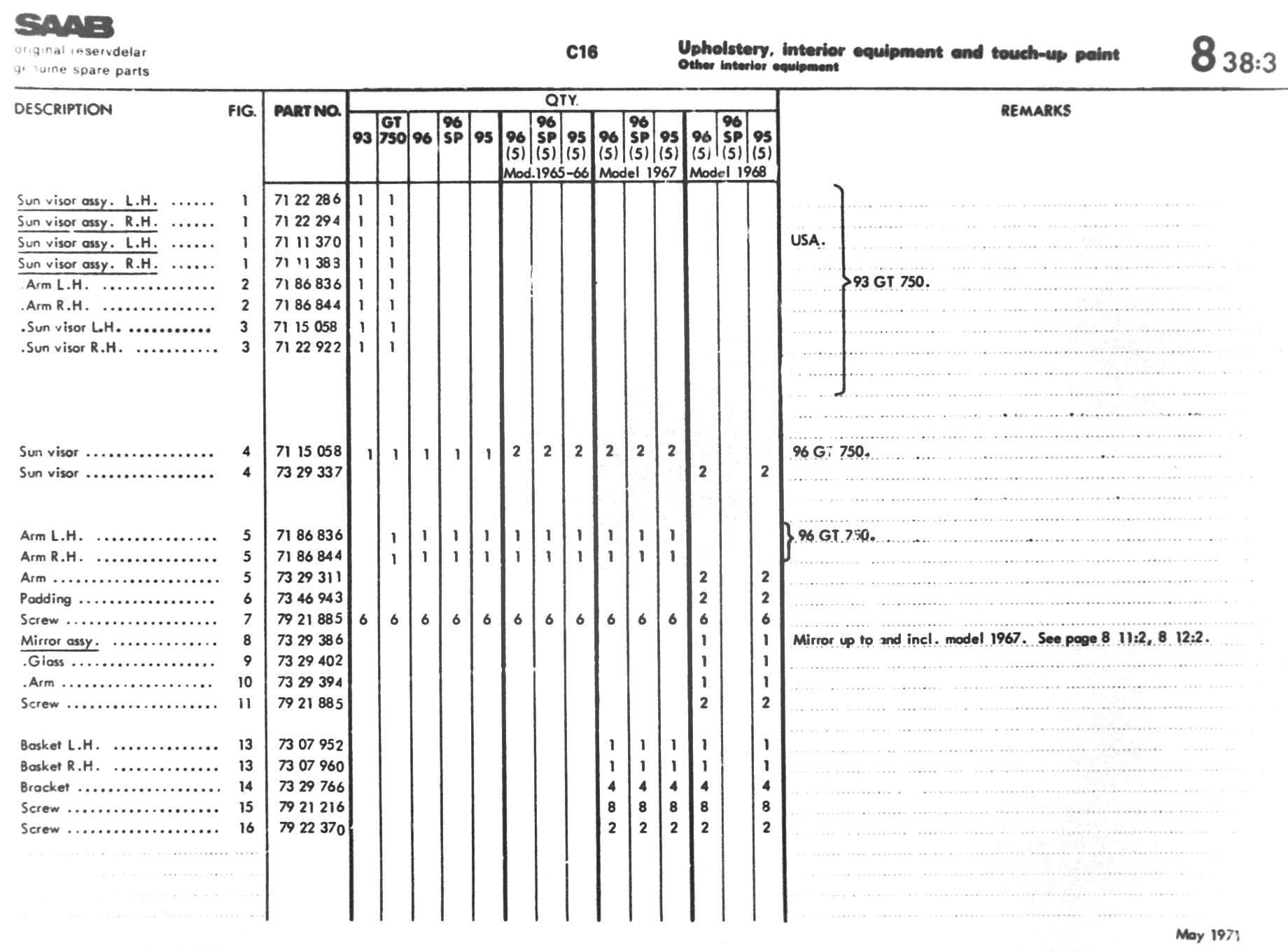
6-C16         ↑ Main Index     << Thumbnails     < Previous     Next >

6-C16